摘要:以煙煤為原料,采用氣體活化法制備活性炭,并將其用于煙氣脫硫。制備活性炭的較佳工藝條件:碳化溫度為600℃;碳化時間為1.0h;活化溫度為900℃;活化時間為1.5h;水蒸氣流量為406mL/min。活性炭的硫容隨SO2、O2和水蒸氣的體積分數的增加而增加;隨反應器床層溫度升高,活性炭的硫容先升高后下降。在床層溫度為80℃,SO2、O2和水蒸氣體積分數分別為0.5%、5.0%和12.0%,N2為載氣的條件下,活性炭的硫容較大,為72.3mg/g。
燃煤排放的SO2是形成“酸雨”的主要原因之一,會給環境造成嚴重污染,同時,煙氣中的SO2是生產硫酸、化肥和其他一系列重要化學品的基本原料,是一種不可忽視的硫資源。活性炭干法脫硫工藝具有脫硫過程耗水量少、無二次污染、脫硫后煙氣溫度高硫便于回收等優點,目前已受到廣泛應用。與木質和果殼活性炭相比,煤質活性炭具.有原料來源廣、 價格低、易再生、抗磨損等優點,被廣泛應用于水處理、溶劑回收、脫色凈化、氣體分離及氣體凈化等領域。
本工作以煙煤為原料,采用氣體活化法制備活性炭,并將其用于煙氣脫硫,效果良好。
1 實驗部分
1.1 原料、試劑和儀器
煙煤取自山西省某煤礦,其工業分析和元素分析結果見表1。實驗所用試劑均為分析純;實驗用水為蒸餾水。
表1 煙煤的工業分析與元素分析結果
| 工業分析(質量分數,%) | 元素分析(質量分數,%) | |||||||
| 水分 | 灰分 | 揮發分 | 固定碳 | C | H | O | N | S |
| 3.15 | 11.31 | 25.56 | 59.98 | 73.44 | 3.76 | 10.23 | 1.01 | 0.25 |
SK-2-10型高溫管式電阻爐:南京電爐廠;
BS-210S型電子分析天平:德國Sartorius公司;101-1AB型電熱鼓風干燥器;天津市泰斯特儀器有限公司;SY-9302B型質量流量計;北京圣業科技發展有限公司;XMT型數顯調節儀;浙江余姚長江溫度儀表;ASAP2000M型比表面積分析儀;美國Micromertics公司。
1.2 實驗方法
1.2.1 活性炭的制備
將煙煤粉碎至0.4~0.6mm,在110℃條件下干燥12h后置于管式電爐中,N2氣氛下,在一定溫度下碳化一定時間,然后將碳化產物在一定的水蒸氣流量下活化一定時間,得到活性炭。
1.2.2 煙氣脫硫
煙氣脫硫實驗在內徑12mm、長300mm的固定床反應器中進行。將活性炭置于固定床反應器中,然后加熱固定床反應器至實驗溫度,通入模擬煙氣,當固定床反應器進、出口SO2體積分數無變化時停止實驗。模擬煙氣組成(體積分數):SO20.1%~0.9%、O22%~12%、水蒸氣2%~12%其余為N2。
1.3 分析方法
采用碘量法測定煙氣中SO2的體積分數。硫容為活性炭煙氣脫硫實驗停止時,單位質量活性炭吸附的SO2質量。
2 結果與討論
2.1 制備條件對硫容的影響
2.1.1 碳化溫度對硫容的影響
在碳化時間為1.0h、活化溫度為900℃、活化時間為1.5h、水蒸氣流量為406mL/min的條件下,碳化溫度對硫容的影響見圖1。
由圖1可見,碳化溫度為600℃時,硫容很大。碳化溫度過低,揮發份析出較少,活性炭的空隙度不夠,硫容減小;碳化溫度過高,縮聚加劇,活性炭的結構變得致密,使活性炭的反應活性降低,硫容減小。本實驗較佳碳化溫度為600℃。
2.1.2 碳化時間對硫容的影響
在碳化溫度為600℃、活化溫度為900℃、活化時間為1.5h、水蒸氣流量為406mL/min的條件下,碳化時間對硫容的影響見圖2。由圖2可見:開始碳化的1.0h內,硫容加大;延長碳化時間,硫容略有減小。本實驗較佳碳化時間為1.0h。
2.1.3 活化溫度對硫容和活性炭得率的影響
在碳化溫度為600℃、碳化時間為1.0h、活化時間為1.5h、水蒸氣流量為406mL/min的條件下,活化溫度對硫容和活性炭得率的影響見圖3。由圖3可見:隨活化溫度升高,反應活性提高,在相同活化時間內反應掉的碳的質量增加,活性炭的得率降低;活化溫度為900℃時,硫容大;繼續升高活化溫度,硫容增加量很少且活性炭得率下降。綜合考慮,本實驗碳化產物的較佳活化溫度為900℃。
2.1.4 活化時間對硫容和活性炭得率的影響
在碳化溫度為600℃、碳化時間為1.0h、活化溫度為900℃、水蒸氣流量為406mL/min的條件下,活化時間對硫容和活性炭得率的影響見圖4。
由圖4可見:隨活化時間的增加,活性炭得率下降;活化時間為1.5h時,硫容大;綜合考慮,本實驗碳化產物的較佳活化時間為1.5h。
2.1.5 水蒸氣流量對硫容和活性炭得率的影響
在碳化溫度為600℃、碳化時間為1.0h、活化溫度為900℃、活化時間為1.5h的條件下,水蒸氣流量對硫容和活性炭得率的影響見表2。由表2可見,隨水蒸氣流量增加,活性炭得率下降,,硫容增加;水蒸氣流量為406 mL/min時,硫容很大;繼續增加水蒸氣流量,水蒸氣繼續與活性炭反應,使活性炭部分孔結構坍塌,致使硫容減小。因此,較佳水蒸氣流量為406mL/min。
表2 水蒸氣流量對活性炭得率和硫容的影響
| 水蒸氣流量/(mL·min-1) | 活性炭得率,% | 硫容/(mL·min-1) |
| 156 | 66.4 | 48.1 |
| 288 | 58.5 | 60.2 |
| 406 | 53.2 | 65.8 |
| 528 | 37.2 | 64.1 |
2.2 脫硫工藝條件對硫容的影響
2.2.1 SO2體積分數對硫容的影響
在反應器床層溫度為100℃、水蒸氣體積分數為12%、O2體積分數為5%、N2為載氣的條件下,SO2體積分數對硫容的影響見圖5。由圖5可見,隨SO2體積分數增加,硫容增加,因為煙氣中SO2的體積分數越大,其擴散推動力就越大,從氣相向活性炭表面的擴散速率也越快,從而增加了活性炭的硫容。
2.2.2 O2體積分數對硫容的影響
在反應器床層溫度為100℃、SO2體積分數為0.5%、水蒸氣體積分數為12%、N2為載氣的條件下,O2體積分數對硫容的影響見圖6。由圖6可見,硫容隨O2體積分數的增加而增大加。當O2體積分數較低時,O2在活性炭表面吸附的推動力較低, 吸附速率較低,被吸附的O2量較少,SO2的催化氧化就會受到限制,從而導致硫容相對較小,而當O2體積分數升高時,促進了SO2在活性炭表面的催化氧化,硫容相應增加。
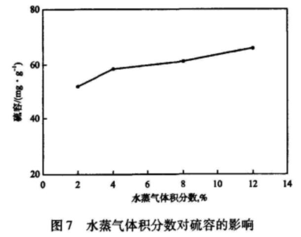
2.2.3 水蒸氣體積分數對硫容的影響
在反應器床層溫度為100℃、SO2體積分數為0.5%、O2體積分數為5%、N2為載氣的條件下,水蒸氣體積分數對硫容的影響見圖7。由圖7可見,隨水蒸氣體積分數增加,硫容增加。一般而言,在活性炭的干燥表面上有利于SO2與O2發生氧化反應生成SO3,而活性炭微孔中吸附的水分有利于產物H2SO4的生成及轉移,即活性炭微孔中的水分有助于SO,從其表面活性位上解離,使活性位釋放出來,從而使吸附得以繼續。當水蒸氣體積分數較低時,將導致活性炭表面干燥過快,影響產物H2SO2的生成和轉移;當水蒸氣體積分數增加時,活性炭微孔表面吸附水的濃度增加,因此生成H2SO,的速率加快,當生成的H2SO4較多時,被吸附的水同時作為一種洗脫劑將吸附的H2SO4洗掉,并將其儲存在活性炭的孔內,從而釋放活性位,促進脫硫反應的進行,提高活性炭的硫容。
2.2.4 反應器床層溫度對硫容的影響
在SO2、O2和水蒸氣體積分數分別為0.5%、5%和12%,N2為載氣的條件下,反應器床層溫度對硫容的影響見圖8。
由圖8可見:隨反應器床層溫度升高,硫容先增大后減小。這是因為,各組分在活性炭上的吸附首先是物理吸附,然后才能轉變為化學吸附,較高的床層溫度不利于物理吸附。床層溫度為80℃時的硫容很大,達到72.3 mg/g,60℃次之,因為60℃時的水蒸氣容易冷卻形成水膜,附著在活性炭表面而阻礙氣體向活性炭內部的擴散,從而導致硫容減小。
3 結論
a) 以煙煤為原料,采用氣體活化法制備活性炭的較佳工藝條件為:碳化溫度600℃、碳化時間1.0h、活化溫度900℃、活化時間1.5h、水蒸氣流量406mL/min。
b) 將所制備的活性炭用于煙氣脫硫實驗,活性炭的硫容隨SO2體積分數、O2體積分數和水蒸氣體積分數的增加而增加;隨反應器床層溫度升高,硫容先增加后減小。在床層溫度為80℃,SO2、O2和水蒸氣體積分數分別為0.5%、5%和12%,N2為載氣的條件下,活性炭的硫容大,為72.3mg/g。
